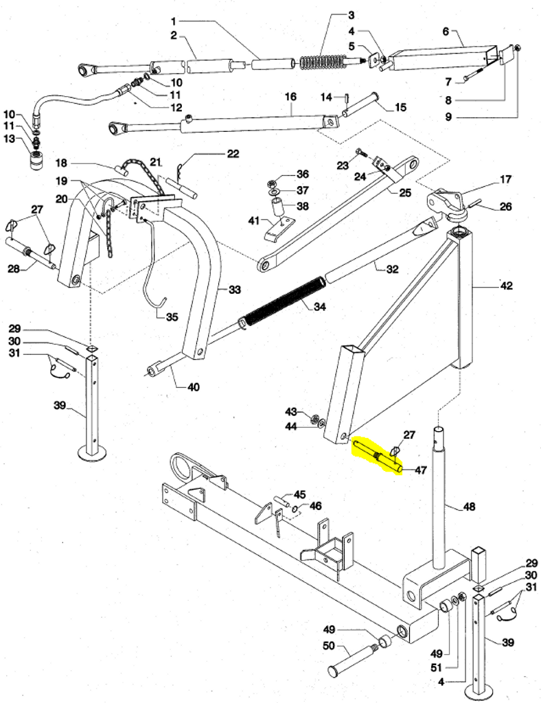
Hydraularmsfäste D6

+4824628
316 kr / Styck
Exkl moms
Antal i förpackning: :size 1

Hydraularmsfäste 4824628 passande KTS Rotorslåtter & KTS Rotorslåtterkross.
Läs mer

Produktvideor

Ta en titt på produktvideor, genomgångar och kundintervjuer för att lära dig mer om våra produkter.

Beskrivning av Hydraularmsfäste D6

Hydraularmsfäste 4824628 passande KTS Rotorslåtter & KTS Rotorslåtterkross

D6.

Passar bl.a. KTS Rotorslåtter (D6L & D7L) 1997-2002 & KTS Rotorslåtterkross.

Detta är samma som artikelnummer +4824020.

Se reservdelslista för referens!

Specifikationer

Vikt 1 kg

Produktfrågor