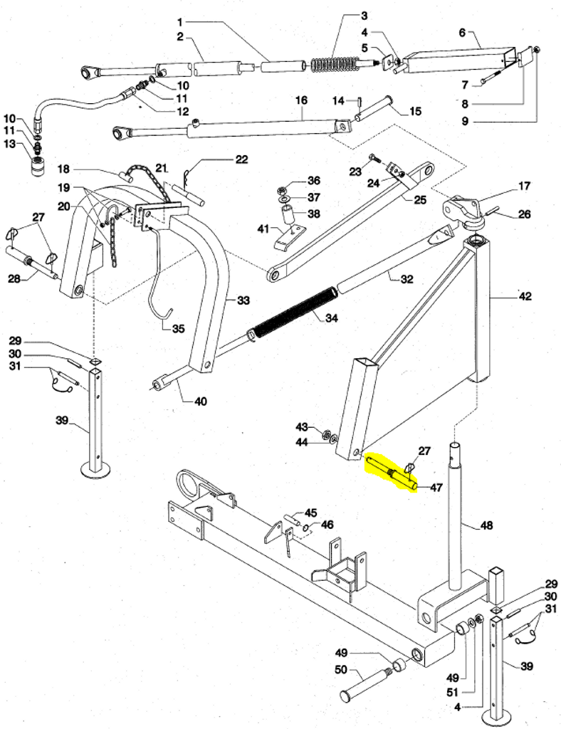
Hydraularmsfäste D4L

+4824422
316 kr / Styck
Exkl moms
Antal i förpackning: :size 1

Hydraularmsfäste, 4824422, till KTS Rotorslåttermaskin 1,67 m.
Läs mer

Produktvideor

Ta en titt på produktvideor, genomgångar och kundintervjuer för att lära dig mer om våra produkter.

Beskrivning av Hydraularmsfäste D4L

Hydraularmsfäste till KTS Rotorslåttermaskin 1,67 m. Passar KTS Rotorslåtter 1,67 m (KTS167 / D4L) av årsmodell 1997 till 2002

Detta är vänstersidans (i färdriktningen) tapp/fäste. Högersidans motsvarande del heter +4824423.

Diameter: 22 mm.

Ser reservdelslista för referens!

Specifikationer

Vikt 0.5 kg

Produktfrågor