Hydraulkolv | KTS Rotorslåtter 1,67 - 2,05 m (1997-2001)

+5124715
2 568 kr / Styck
Exkl moms
Antal i förpackning: :size 1

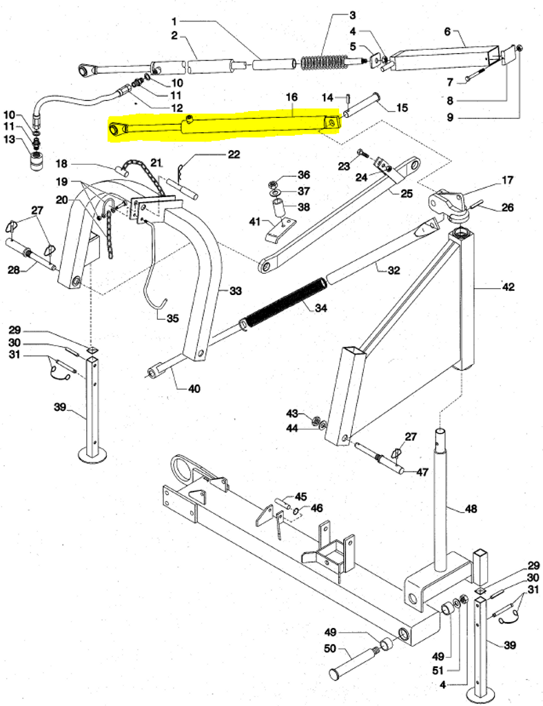
Hydraulcylinder till KTS Rotorslåtter 1,67 - 2,05 m, årsmodeller 1997-2001.
Läs mer

Produktvideor

Ta en titt på produktvideor, genomgångar och kundintervjuer för att lära dig mer om våra produkter.

Beskrivning av Hydraulkolv | KTS Rotorslåtter 1,67 - 2,05 m (1997-2001)

Hydraulcylinder passande KTS Rotorslåtter 1,67 m (D4L) och 2,05 m (D5L) fr.o.m. 1997 t.o.m. 2001 års modell.

Diameter på hål i cylinderns öron: ca 20 mm / ca 32 mm

Generell information om måttangivelser på hydraulcylindrar:

Exempel: HC 50/32-146 (Skrivs ibland t.ex. 50-32-146 eller 50/32x146.)


50 = Cylinderrörets innerdiameter i mm


32 = Kolvstångens diameter i mm


146 = Slaglängden i mm


Se reservdelslista för referens!

Specifikationer

Dimensioner 96 × 7 × 5 cm
Vikt 7.4 kg

Produktfrågor