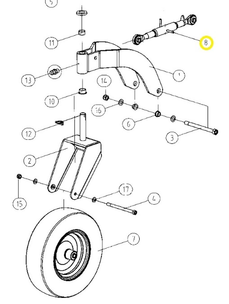
Vantskruv 400 mm - 560 mm
            Antal i förpackning: :size            1
        
        Produktvideor
Ta en titt på produktvideor, genomgångar och kundintervjuer för att lära dig mer om våra produkter.
Beskrivning av Vantskruv 400 mm - 560 mm
Vantskruv 400 mm - 560 mm till KTS Schaktblad 2,44 - 3,05 m
Passar till hjulställen på KTS Schaktblad av följande modeller:
- 2,44 m: KTS244-1HC
- 2,44 m: KTS244-2HC
- 2,50 m: KTS1250S (om det är utrustat med hjulställ)
- 2,74 m: KTS274-1HC
- 2,74 m: KTS274-2HC
- 3,05 m: KTS305-1HC
- 3,05 m: KTS305-2HC
Se reservdelslista för referens!
Relaterade produkter
Liknande produkter
Specifikationer
| Vikt | 2.75 kg | 
