Skarvlänk Nr. 74 Kohlswa
Produktvideor
Ta en titt på produktvideor, genomgångar och kundintervjuer för att lära dig mer om våra produkter.
Beskrivning av Skarvlänk Nr. 74 Kohlswa
Skarvlänk Nr. 74 Kohlswa – För KTS Upprullare och andra kedjesystem
Skarvlänk Nr. 74 Kohlswa är en slitstark och högpresterande länk som passar kedjesystem för KTS Upprullare, både stationära och rälshängda modeller. Tack vare sin robusta konstruktion och höga hållfasthet är denna länk även idealisk för andra applikationer, såsom släpvagnar, jordbruksmaskiner och transportband.

På KTS Maskiner bygger vi våra produkter med kvalitet och hållbarhet i fokus. Skarvlänk Nr. 74 är tillverkad för att tåla hårda påfrestningar och erbjuda lång livslängd. Om kedjan behöver repareras eller bytas ut är denna länk en perfekt lösning för att snabbt återställa driften.
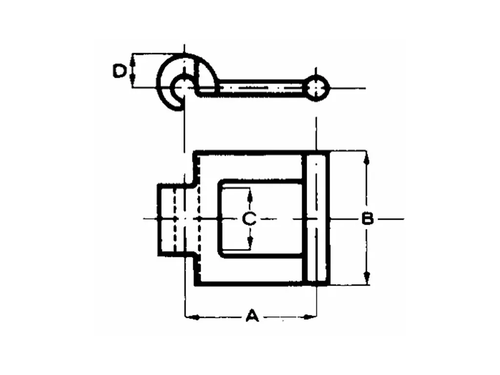
Specifikationer
- Kedjetyp: Skarvlänk Nr. 74 Kohlswa
- Länktyp: 1
- Antal kedjelänkar: 85 st
- Länkar per meter: 16,5
- Vikt per meter: 3,80 kg
- Belastning: 1350 kg
- Brotthållfasthet: Cirka 65 000 N

- A: 60,6 mm
- B: 65,0 mm
- C: 36,0 mm
- D: 15,7 mm
Brett användningsområde
Denna skarvlänk är inte bara begränsad till KTS Upprullare – den passar även perfekt för andra tillämpningar, såsom:
- Släpvagnar
- Jordbruksmaskiner
- Transportband
- Andra industriella och lantbruksrelaterade kedjesystem
Redo för tuffa arbetsförhållanden
Skarvlänk Nr. 74 Kohlswa är utvecklad för att möta kraven i lantbruk och industri. Med hög brotthållfasthet och slitstark design är den en pålitlig komponent som säkerställer smidig drift och minimerar driftstopp.
Behöver du hjälp?
Är du osäker på vilken reservdel som passar din maskin? Ta en titt i vår reservdelslista för att hitta rätt del. Har du fler frågor eller behöver ytterligare hjälp? Kontakta oss – vi hjälper dig gärna att välja rätt reservdel för din KTS Upprullare eller andra maskiner!
Specifikationer
| Art. nr | +K74 |
| A | 60,6 mm (6,6 cm) |
| Användningsområde | Kedjesystem för stationär och rälshängd KTS Upprullare | Släpvagnar | Transportband | Andra industriella och lantbruksrelaterade kedjesystem |
| B | 65,0 mm (6,5 cm) |
| Antal länkar | 85 st kedjelänkar |
| C | 36,0 mm (3,6 cm) |
| Länkar per meter | 16,5 |
| D | 15,7 mm (1,57 cm) |
| Vikt per meter | 3,80 kg |
| Förpackningslängd | 80,0 mm (8,0 cm) |
| Belastning | 1 350 kg |
| Förpackningsbredd | 65,0 mm (6,5 cm) |
| Genomsnittlig brotthållfasthet cirka | 65 000 N |
| Förpackningshöjd | 20,0 mm (2,0 cm) |
| Bruttovikt | 0.230000 kg |